biuro@ppoz.sklep.pl 668 828 826 61 646 0606 61 29 39 169
Pokrywa nasady 75
Pokrywa nasady 75 - przeznaczona jest do zaślepiania linii pożarniczych i króćców urządzeń zakończonych nasadami 75 w celu uniknięcia niekontrolowanego odpływu wody
Pokrywa nasady 75
przeznaczona jest do zaślepiania linii pożarniczych i króćców urządzeń gaśniczych zakończonych nasadami 75.
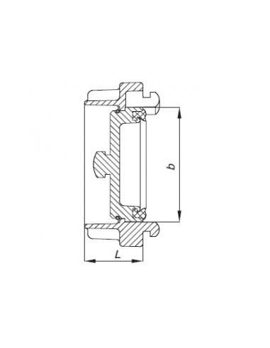
PARAMETRY pokrywy nasady 75:
Rozstaw zaczepów b[mm] 89
Wysokość L[mm] 40
Masa [kg] 0,53
Posiada świadectwo dopuszczenia CNBOP

Informacje ogólne o pokrywach:
Pokrywy nasad, podobnie jak łączniki oraz nasady, posiadają połączenie typu STORZ. Służą do szczelnego ich zamykania w celu zapewnienia im ochrony przed zanieczyszczeniem i uszkodzeniem mechanicznym. Zastosowanie: ochrona nasad tłocznych i ssawnych w samochodach strażackich, zamknięcie nasad wylotowych stojaka hydrantowego, zamknięcie zbiornika wodnego, wylotów rozdzielacza strażackiego oraz wiele innych zastosowań.
Są niezbędne podczas sprawdzania węży tłocznych na ciśnienie próbne przed wprowadzeniem ich do użytkowania (np. po ponownym taśmowania za pomocą maszynki do taśmowania węży). Wykonuje się je z aluminium lub mosiądzu. Wyposażone w łańcuszek mocujący, przytwierdzony do konstrukcji po to, by pokrywa po rozłączaniu z nasadą nie została zgubiona.
Ze względu na średnicę wyróżniamy pokrywy 25(D), pokrywy 52 (C), pokrywy 75 (B) oraz pokrywy 110 (A) wykonane zgodnie z Polską Normą. Pokrywa nasady zbudowana jest z korpusu z zaczepami, w której osadzone jest denko pokrywy, zabezpieczone pierścieniem oporowym. Od strony wewnętrznej umiejscowiona jest uszczelka gumowa. Do denka przymocowany jest łańcuszek. Mogą być produkowane z dodatkowym wyposażaniem (z zamkiem zabezpieczającym, zaworem spustowym), co zwiększa ich funkcjonalność.
Opracowanie własne. Kopiowanie zabronione.
Powiązane produkty
- Brak powiązanych produktów